产品分类
PRODUCT CENTER产品规格更多
| 产品 | 规格 |
|---|---|
| 二波板 | 4320*310*85*3/4 |
| 三波板 | 4320*506*85*3/4 |
| 圆立柱 | 直径140/114*4.5 |
| 方立柱 | 130*130*6*2540 |
| 防阻块 | 196*178*200*3/4.5 |
| 托 架 | 70*300*4/4.5 |
| 柱 帽 | 140/114适配 |
| 螺 栓 | M16*35/45/170 |
| 方垫片 | 76*44*4 |
| 单端头 | R160*3/4 |
点击数:2762025-10-25 11:05:02 来源: 波形护栏|护栏板价格|高速护栏板厂家-冠县华安交通
波形护栏中央分隔带的设计标准与规格参考大样图
以下波形护栏中央分隔带标准截取自:
中央分隔带宽度小于 2.5m ,中央分隔带内构造物不多或埋设管线较少的珞段,可采用组合型护栏。
☝ 两波形Am级组合型中央分隔带波形护栏
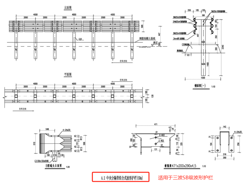
☝ 三波形SBm级分设型中央分隔带波形护栏
这两个标准分别对应了分设型和组合型中央分隔带波形护栏的设置要求:
防护等级为二至七(代码分别为 Bm、 Am、SBm、 SAm、 SSm、 HBm )级的分设型中央分隔带护栏的构造形式与二至七(代码分别为 B、A、SB、 SA、SS、HB )级的路侧护栏基本相同。
在不同类型的中分带护栏规格尺寸中也给出了明确的要求:
中央分隔带护栏的设置及防护等级的选取应符合下列规定:
根据中央分隔带的条件,事故严重程度可分为三个等级:高、中、低。中央分隔带护栏的防护等级应符合6.2.3 的规定。
下面是组合型与分设型中央分隔带护栏的设置参考大样图:

