产品分类
PRODUCT CENTER产品规格更多
| 产品 | 规格 |
|---|---|
| 二波板 | 4320*310*85*3/4 |
| 三波板 | 4320*506*85*3/4 |
| 圆立柱 | 直径140/114*4.5 |
| 方立柱 | 130*130*6*2540 |
| 防阻块 | 196*178*200*3/4.5 |
| 托 架 | 70*300*4/4.5 |
| 柱 帽 | 140/114适配 |
| 螺 栓 | M16*35/45/170 |
| 方垫片 | 76*44*4 |
| 单端头 | R160*3/4 |
点击数:2902025-10-16 16:09:54 来源: 波形护栏|护栏板价格|高速护栏板厂家-冠县华安交通
GB/T 31439.2-2025《波形梁钢护栏 第2部分:三波形梁钢护栏》于2025年8月29日发布,计划于2026年3月1日实施,替代2015版标准,规范公路交通工程中三波形梁钢护栏的技术要求与安全性能。

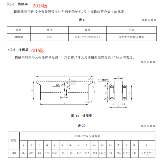
h) 删除了横隔梁及相关技术要求(见2015年版3.3.6、4.2.6);

i) 增加了托架的用途、规格、尺寸和允许公差要求(见4.3.6、5.2.6);

j) 更改了拼接螺栓连接副和连接螺栓连接副的用途、规格、公称尺寸及允许偏差(见4.3.8、4.3.9、5.2.8.1、5.2.8.3、5.2.9.1和5.2.9.3,2015年版的3.3.8、3.3.9、4.2.8.1和4.2.9.1);





k) 更改了外观描述和毛刺处理要求(见5.1.1、5.1.2,2015年版4.1.1、4.1.2);

l) 增加了三波形梁板、加强横梁和立柱不应焊接加长的要求(见5.1.4);

m) 增加了三波形梁板中部连接螺孔数量应根据钢管立柱间距设置的要求、展开尺寸及允许偏差的要求(见5.2.1.1~5.2.1.3);



n) 更改了钢管立柱、方管立柱和 H 型钢立柱的尺寸要求(见5.2.4.2、5.2.4.6、5.2.4.10,2015年版4.2.4.2、4.2.4.6和4.2.4.10);




如需要2025标准电子版,可点击关注,评论区留言需要2025标准电子版。

