产品分类
PRODUCT CENTER产品规格更多
| 产品 | 规格 |
|---|---|
| 二波板 | 4320*310*85*3/4 |
| 三波板 | 4320*506*85*3/4 |
| 圆立柱 | 直径140/114*4.5 |
| 方立柱 | 130*130*6*2540 |
| 防阻块 | 196*178*200*3/4.5 |
| 托 架 | 70*300*4/4.5 |
| 柱 帽 | 140/114适配 |
| 螺 栓 | M16*35/45/170 |
| 方垫片 | 76*44*4 |
| 单端头 | R160*3/4 |
点击数:2362025-10-10 16:32:03 来源: 波形护栏|护栏板价格|高速护栏板厂家-冠县华安交通
GB/T 31439.1-2025《波形梁钢护栏 第1部分:两波形梁钢护栏》于2025年8月29日发布,计划于2026年3月1日实施,替代2015版标准,规范公路交通工程中两波形梁钢护栏的技术要求与安全性能。如需要2025标准电子版,可点击关注,评论区留言需要2025标准电子版。
g) 更 改 了 托 架 的 用 途 、规 格 和 公 称 尺 寸 及 允 许 偏 差(见 4.3.6、5.2.6.1,2015 年 版 的 3.2.8、4.2.7.1);


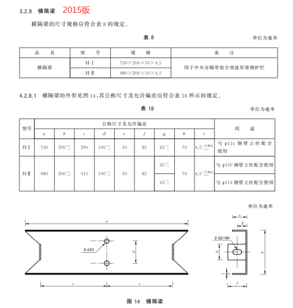
h) 更 改 了 横 隔 梁 的 用 途 、规 格 和 公 称 尺 寸 及 允 许 偏 差(见 4.3.7、5.2.7.1,2015 年 版 的 3.2.9、4.2.8.1);


i) 增加了两波形梁板不应焊接加长的要求(见 5.1.4);

j) 增加了 2.0 mm 厚和 2.5 mm 厚两波形梁板的最小厚度和平均厚度要求、中部连接螺孔数量应根据钢管立柱间距设置的要求(见 5.2.1.1、5.2.1.2);
k) 更改了两波形梁板外形图、横截面公称尺寸、展开尺寸及允许偏差(见 5.2.1.1~5.2.1.3,2015 版的 4.2.1.1、4.2.1.2);


l) 删除了变截面两波形梁板的外形图及加工要求(见 2015 年版的图 3、图 4 和 4.4.2);


m) 更改了两波形梁板螺孔规格(见 5.2.1.4,2015 年版的 4.2.1.3);



