产品分类
PRODUCT CENTER产品规格更多
| 产品 | 规格 |
|---|---|
| 二波板 | 4320*310*85*3/4 |
| 三波板 | 4320*506*85*3/4 |
| 圆立柱 | 直径140/114*4.5 |
| 方立柱 | 130*130*6*2540 |
| 防阻块 | 196*178*200*3/4.5 |
| 托 架 | 70*300*4/4.5 |
| 柱 帽 | 140/114适配 |
| 螺 栓 | M16*35/45/170 |
| 方垫片 | 76*44*4 |
| 单端头 | R160*3/4 |
点击数:3932025-09-05 15:32:34 来源: 波形护栏|护栏板价格|高速护栏板厂家-冠县华安交通
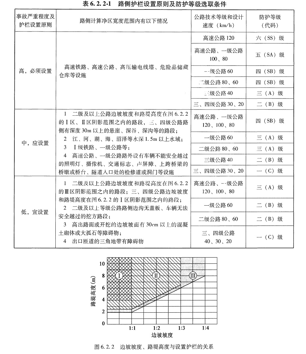
路侧护栏的设置及防护等级的选取应符合下列规定:
(以下内容标准截取自——公路交通安全设施设计细则(JTGTD81-2017)
1、按照现行《公路交通安全设施设计规范》(JTG D81)的规定,事故严重程度可分为三个等级:高、中、低,应按表 6. 2. 2-1 的规定设置路侧护栏并选取路侧护栏的防护等级。
2、存在下列情况时,导致事故发生可能性增加或后果更严重的路段,路侧护栏的防护等级宜在表 6. 2. 2-1 的基础上提高 个等级。
1)二级及以上公路纵坡等于或接近于现行《公路工程技术标准》 (JTG BOl )规定的最大纵坡值的下坡路段;二级及以上公路圆曲线半径等于或接近现行《公路工程技术标准》 (JTG BOl )规定的最小半径的路段外侧。
2)设计交通量中,总质量大于或等于 25t 的车辆自然数占比例大于 20% 时。
3)年平均日设计交通量 (AADT)小于 000 辆小客车且设计速度小于或等于60km/h 的公路,宜进行交通安全及经济综合分析确定是否设置护栏及护栏的防护等级。需要设置护栏时,其防护等级可在表 6.2.2 的基础上降低 个等级,但不得低于一(C)级。年平均日设计交通量(AADT)小于 400 辆小客车的单车道四级公路,宜采取诱导和警示的措施。

